Pourquoi le délai de bascule back-up des systèmes de batterie Huawei Fusion Solar est-il si long ? Comment modifier le délai de bascule par défaut sur ma centrale solaire Huawei dans le Tarn (81) ? Combien de temps faut-il pour que la SmartGuard Huawei prenne le relai sur mon installation électrique à Albi ?
Votre centrale solaire équipée de la technologie proposée par Huawei Fusion Solar prend le relai en cas de coupure de courant sur le réseau général Enedis, mais le délai peut parfois sembler long basculer entre Onduleur et SmartGuard : que faire ? Comment régler ce problème ? Solaire Occitanie fait le point avec vous.
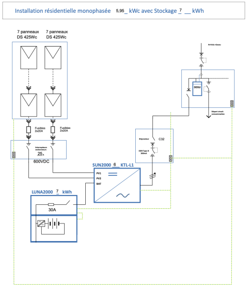
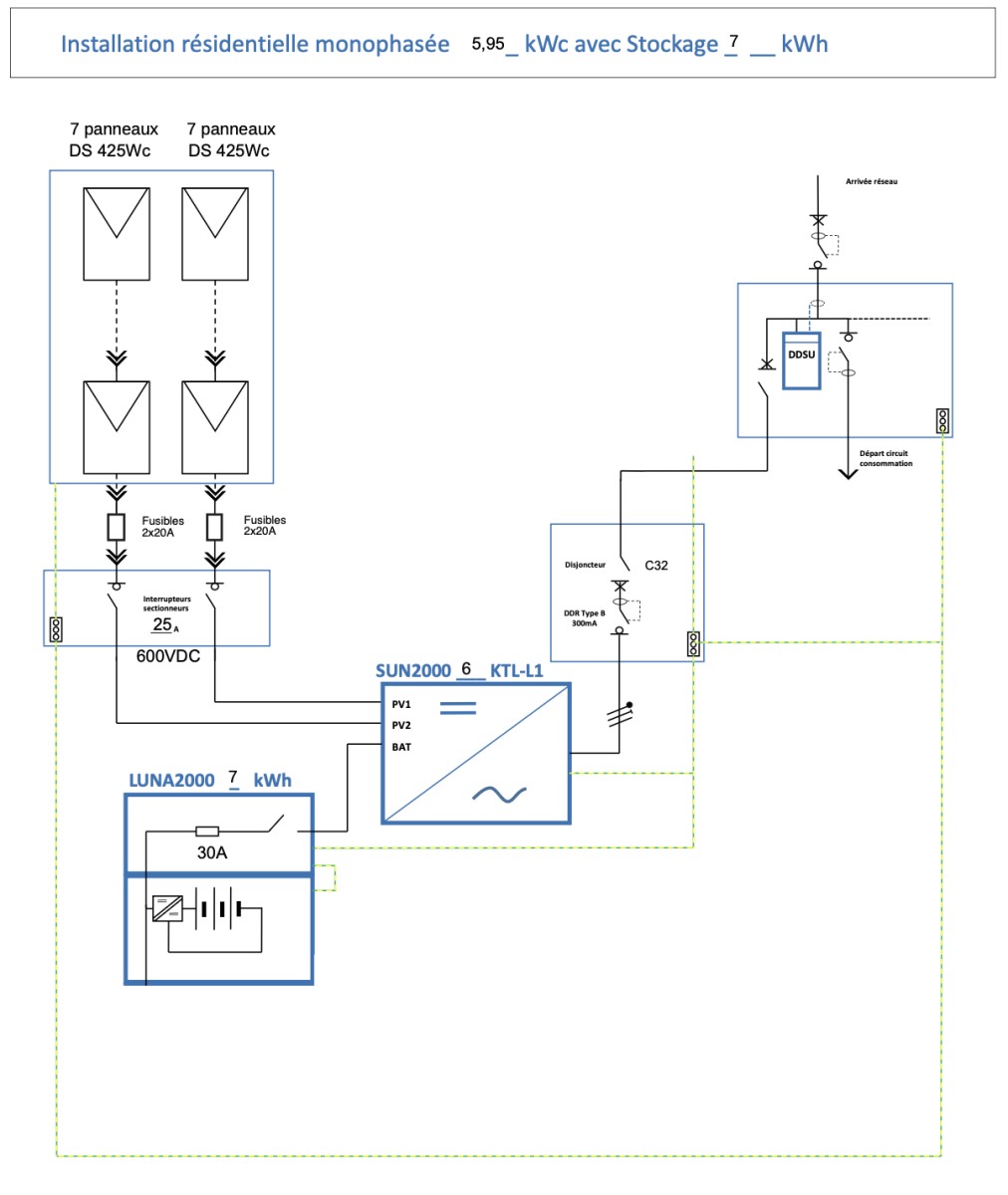
Le délai de réponse par défaut de votre onduleur solaire Huawei Fusion Solar est défini à 3 secondes ou 3000ms. Cette information est accessible à votre installateur de centrale photovoltaïque dans les paramètres de l’onduleur Huawei, accessibles à distance en Occitanie.

Cela veut dire que le temps de coupure, ici appelé « Duration for determining short-time grid disconnection (ms) » (qu’on peut traduire en Durée pour la détermination de la déconnexion de réseau général) est de 3 secondes. Si la coupure dure moins de 3 secondes, votre onduleur et votre SmartGuard Huawei risquent d’ignorer la coupure de courant dans votre domicile dans le Tarn (81).
Ce délai peut être réglé par votre installateur de panneaux solaires à Albi : l’entreprise qui a installé votre centrale photovoltaïque Huawei peut modifier le délai de réponse via l'interface Fusion Solar sur un ordinateur (configuration onduleur). Le délai de réponse de l’onduleur peut être configuré entre 1 demi-seconde et 20 secondes.
Pour obtenir une réponse plus rapide de la part de votre système de stockage de l’énergie solaire, votre environnement Huawei Fusion Solar doit donc être correctement paramétré.
L’installateur de votre centrale solaire a accès aux paramètres de votre onduleur Huawei Fusion Solar en ligne, ainsi qu’à votre EMS Emma SmartGuard.
Dans l’onglet « Configuration », l’installateur peut accéder aux « Paramètres de réseau » de la centrale solaire, et modifier les deux valeurs suivantes : l’activation du démarrage rapide pour une déconnexion du réseau et la durée pour la détermination de la déconnexion de réseau.
Pour le Démarrage rapide pour une déconnexion du réseau, sélectionnez « Activer » dans le menu déroulant de l’application Huawei.
Pour la Durée pour la détermination de la déconnexion de réseau, définissez la valeur à 500ms, soit 0,5 seconde de temps de réponse.

Solaire Occitanie est une entreprise locale et dynamique, basée à Garidech au nord de Toulouse (31). Nous sommes forts de notre expérience acquise depuis 2017 : confiez dès aujourd’hui la maintenance de votre centrale solaire Huawei à une équipe d’experts du photovoltaïque dans la région d’Albi, Toulouse ou Montauban. Découvrez notre offre de maintenance en ligne en Occitanie en cliquant juste ici.
Vous souhaitez obtenir d’autres informations pour la future installation d’une centrale solaire Huawei Fusion Solar ? Demandez dès aujourd’hui un devis gratuit et personnalisé pour votre projet d’installation solaire en Occitanie. Nous vous accompagnons dans toutes les étapes administratives pour une installation sereine dans la région d’Albi, Castres ou Rabastens (81) :