Les gestionnaires d’énergie intégrés à votre centrale photovoltaïque permettent de garantir une utilisation optimale de votre production d’électricité solaire. Découvrez aujourd’hui l’EMS EMMA-A02 de Huawei Fusion Solar, l’Energy Management System proposé par le leader chinois dans le domaine du photovoltaïque.
Quelles sont les caractéristiques techniques de l’EMS EMMA-A02 pour votre future installation solaire en Haute-Garonne (31) ? Quelle différence entre les modèles EMMA-A02 et A01 ? Quels contacteurs sont compatibles pour l’installation de cet EMS à côté de Toulouse ? Comment réinitialiser le mot de passe code installateur sur un EMS EMMA-102 de Huawei ? Quelles est la signification des voyants LED sur votre Energy Managment System Huawei ? Energies Vertes Occitanie répond à toutes ces questions pour vous dans son article détaillé pour vous assurer une installation d’EMS Huawei EMMA A02 sereine et sans prise de tête dans toute l’Occitanie.
L’Energy Managment System EMMA-A02 de Huawei Fusion Solar est un gestionnaire d’énergie intelligent pour votre future installation solaire dans la région de Toulouse. Grâce à cette version A02, il est désormais possible de piloter les charges en se connectant aux appareils électriques intelligents : chargeurs, pompes à chaleur SG Ready, commutateurs intelligents… C’est une véritable révolution énergétique pour votre habitation en Occitanie. Découverte avec Energies Vertes Occitanie, votre installateur de centrales solaires basé à Garidech (31).
L’EMMA A02 de Huawei est en effet capable de gérer 3 contrôleurs d'énergie intelligents, 2 chargeurs intelligents, une pompe à chaleur et jusqu’à 20 appareils Shelly. Cet EMS est ainsi connecté à tous les aspects de votre maison pour gérer au mieux votre consommation d’électricité et optimiser l’utilisation de votre production d’énergie photovoltaïque. L’EMMA A02 ne consomme en lui-même que 4 W de manière typique, avec une tension d'entrée en 1P2W d’environ 100 ~ 240V, 50/60Hz, de : 346 ~ 415V, 50/60Hz en 3P3W et 3P4W.
Cet EMS fourni par Huawei Fusion Solar pour votre centrale solaire toulousaine bénéficie de la communication en LAN/WAN ainsi que WLAN, de deux entrées numériques, deux sorties numériques, et deux interfaces RS485. Les indicateurs des LEDs permettent d’assurer un suivi de l’état de connexion de votre EMS et de connaître l’état des alarmes en cours en un coup d’oeil à Toulouse (31).
Grâce à ses fonctions avancées, l’EMS EMMA A02 de Huawei assure une gestion unifiée de vos onduleurs, ESS, optimiseurs, chargeurs et appareils électriques dans toute la maison. Il optimise l’énergie consommée en gérant les pics de consommation et limitant l’injection réseau grâce à la priorisation de l’énergie photovoltaïque. L’EMS EMMA A02 de Huawei vous permet aussi de vous adapter aux tarifications dynamiques pour vous assurer une consommation raisonnée de l’électricité et des économies sur votre facture annuelle.
L'EMS de Huawei Fusion Solar s’intègre avec tout l’éco-système proposé par le constructeur chinois pour votre maison dans la région de Balma (31) : onduleurs SUN2000, batteries LUNA2000 jusqu’à 21kWh, mais aussi les chargeurs pour véhicules électriques SCharger. Si vous souhaitez passer à l’électrique pour vos déplacements quotidiens, n’hésitez pas à découvrir les offres de notre partenaire Bornetik, votre installateur de borne de recharge pour véhicule électrique.
Votre EMS EMMA A02 de Huawei présente plusieurs indicateurs et voyants LED. Ces voyants ont différentes significations en fonction de leur couleur. Votre EMMA A02 affiche une alarme LED, que faire ? Quelle signification si un voyant LED est allumé sur votre EMS Huawei EMMA A02 à Toulouse (31) ? Voici un récapitulatif de la signification d’allumage des différents voyants de votre EMS EMMA A02 de Huawei Fusion Solar.
Le voyant avec un bouton on/off ⏼ indique le statut de votre EMS EMMA A02 : s’il est éteint, l’EMS n’est pas allumé, s’il est vert fixe, l’EMMA A02 est sous tension et fonctionne.
Le témoin d’alarme ⚠️ est en général éteint. S’il clignote en rouge de manière lente (1 seconde toutes les 4 secondes), c’est que votre EMS EMMA A02 a un avertissement ou une alarme mineure. Si le témoin d’alarme clignote en rouge rapidement, il s’agit d’une alarme majeure. Si le témoin d’alarme est allumé en rouge fixe, votre EMMA A02 vous signale une alarme critique. N’hésitez pas à vous tourner vers votre installateur en cas d’alarme inconnue sur votre Energy Managment System.
Le voyant pour l’état de la communication ((⎮)) de votre EMS EMMA A02 de Huawei en Occitanie est éteint lorsque l’EMS EMMA A02 ne communique pas avec le système de gestion. S’il clignote en vert de manière lente (1 seconde), la communication est normale. Si le clignotement vert du voyant de communication de l’EMS EMMA A02 est rapide, la communication entre l'EMMA A02 de Huawei et votre système de gestion est interrompue.
Comment connecter l’EMS EMMA A02 de Huawei ? Quels contacteurs utiliser pour la connexion de votre EMS EMMA A02 en Occitanie ? Retrouvez la liste des contacteurs Shelly compatibles avec l’EMS EMMA A02 de Huawei ainsi que les diagrammes de connexion des câbles fournis par Huawei pour l’installation de votre EMS EMMA A02 en Occitanie juste ici.
L’EMS EMMA A02 de Huawei Fusion Solar ne peut être connecté qu’à certaines versions Shelly de vos dispositifs en Occitanie :
Vérifiez la version de votre dispositif Shelly en vous connectant à son wi-fi, puis rentrez l'adresse IP de connexion dans la barre d'adresse du navigateur. N’hésitez pas à vous référer au manuel d'utilisation du dispositif Shelly en cas de doute.
Retrouvez ci-dessous le diagramme fourni par Huawei Fusion Solar dans le manuel d’utilisation de l’EMS EMMA A02 pour la connexion des câbles CT externes au connecteur à 10 broches de votre EMS à Toulouse (31) :

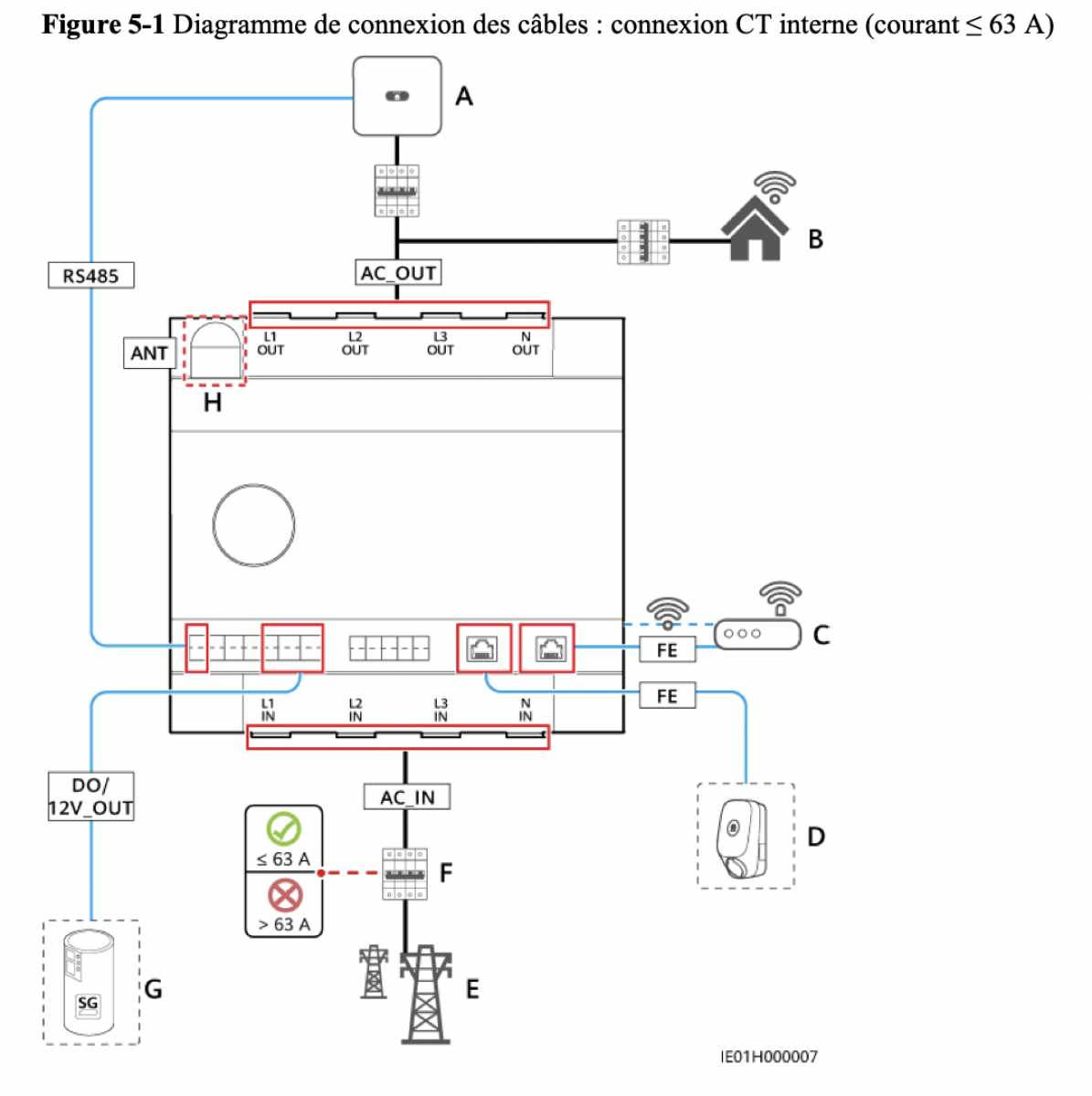
Retrouvez ci-dessous le diagramme fourni par Huawei Fusion Solar dans le manuel d’utilisation de l’EMS EMMA A02 pour la connexion des câbles en connexion CT interne (courant de moins de 63 A) et externe (courant de plus de 63 A) à L’Union (31) :


Dans ces diagrammes fournis par Huawei Fusion Solar, les éléments indiqués par des lettres A à I sont les suivants :
Vous avez besoin de réinitialiser le mot de passe de votre EMS EMMA A02 de Huawei Fusion Solar dans la région de Toulouse (31) ? Il est possible de réinitialiser le mot de passe d’un Energy Management System EMMA A02 de Huawei pour restaurer le mot de passe initial d’installation, de connexion au wi-fi ou d’un compte utilisateur. Découverte de la marche à suivre avec Energies Vertes Occitanie :
Pour réinitialiser les mots de passe d’un EMS EMMA A02 de Huawei Fusion Solar, munissez-vous de votre broche d’éjection. Appuyez sur le bouton RST (pour « Reset ») de l’EMS EMMA et maintenez-le enfoncé pendant 10 à 60 secondes.
Le mot de passe de connexion au réseau wi-fi est réinitialisé au mot de passe initial que vous pouvez retrouver gravé sur votre EMS EMMA A02 de Huawei. Si le mot de passe initial est illisible ou que vous l’avez perdu, une connexion au wi-fi sans mot de passe est possible dans les 3 minutes qui suivent la réinitialisation.
Pour réinitialiser le mot de passe installateur ou le mot de passe utilisateur, suivez la même marche à suivre. Les mots de passe sont alors réinitialisés aux mots de passe initiaux. Connectez-vous à l’écran de mise en service local pour réinitialiser le mot de passe installateur et le mot de passe de votre client.
Demandez votre devis gratuit et personnalisé pour l’installation d’une centrale solaire et d’un EMS EMMA-A02 à votre domicile dans la région de Toulouse (31) en remplissant le formulaire ci-dessous, et bénéficiez d’une auto-consommation intelligente de votre électricité photovoltaïque et d’économies sur votre facture EDF annuelle à Colomiers, Balma ou L’Union (31) :